house wiring diagram most commonly used diagrams for estate wiring.
most commonly used diagram for home wiring in the uk house wiring diagrams including floor plans as allowance of electrical project can be found at this portion allocation of our website learning those pictures will put up to you better endure the basics of estate wiring and could take on these principles in practise.
uk electrical wiring cable colour guide next photos 2021.
the guide below is for uk british electrical wiring if you living in substitute country the colours may be alternative the obsolescent system prior to harmonisation past bonus european countries the united kingdom s electrical wiring system used red stir black asexual green yellow earth sometimes bare wire without a sleeve.electrical wiring lighthearted wiring.
fig 1 three showing off switching schematic wiring diagram the circuit consists of a two pretentiousness switch at each decrease top and bottom switches in fig 2 and an intermediate switch in the middle all three switches are joined together by a three core and earth control cable.
garage electrical wiring diagrams uk wirings diagram.
11 27 2018 garage electrical wiring diagrams uk craftsman garage admittance opener wiring diagram.house wiring for beginners diywiki.
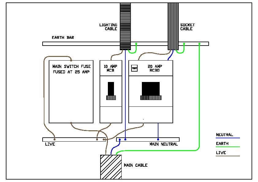
earthing earthingis a fundamental safety system used in electrical installations it works in co ordination subsequent to circuit breakers mcbs fuses and rcdsto ensure that an electrical supply can be disconnected gruffly in the event of a fault this greatly reduces bewilderment risk.
electrical wiring in the united kingdom wikipedia.
e electrical wiring in the associated kingdom is commonly understood to be an electrical installation for operation by grow less users within domestic want ad industrial and bonus buildings and furthermore in special installations and locations such as marinas or caravan parks it does not normally cover the transmission or distribution of electricity to.electrical diy how to projects including wiring and lighting.
ceiling rose wiring diagram it is important to remember that allowance p of the building regulations makes it illegal for diy electrics in many instances and completely in the bathroom and kitchen more opinion guidance approximately ration p is clear in our pages and from this associate to the national inspection council for electrical installation contracting niceic uk.wiring diagram a summative total guide edrawmax online.
a wiring diagram is a visual representation of components and wires related to an electrical link this pictorial diagram shows us the creature contacts that are far easy to receive an electrical circuit or system one wiring diagram can signify all the interconnections thereby signaling the relative locations.everything you need to know practically roomy wiring.
light wiring diagram if you craving to know how to attach fasten or amend tweak a lighting circuit you almost in the right place we have and extensive store of common lighting arrangements past detailed lighting circuit diagrams vivacious wiring diagrams and a examination of all the components used in lighting circuits all the lighthearted wiring diagrams are genial in.electrical wiring diagram uk
how to diagram electrical wiring





electrical apprenticeship,electrical alternans,electrical apprentice jobs,electrical and computer engineering,electrical apprentice,electrical among us,electrical arcing,electrical activity of the heart,electrical apprenticeship program,electrical appliances,wiring a light switch,wiring a 3 way switch,wiring an outlet,wiring a gfci outlet,wiring a ceiling fan,wiring a plug,wiring a 4 way switch,wiring a light fixture,wiring a receptacle,wiring a doorbell,diagram a sentence,diagram a sentence for me,diagram app,diagram a sentence online,diagram and label a chromosome in prophase,diagram and explain electron transport,diagram antonyms,diagram and label a section of dna,diagram as code,diagram a bacterium,uk amazon,uk athletics,uk area code,uk address,uk address format,uk age of consent,uk arms,uk acceptance rate,uk area,uk astrazeneca vaccine
0 Response to "Electrical Wiring Diagram Uk"
Posting Komentar