neutral safety switch wiring diagram chevy wiring diagram.
1 6 2019 neutral safety switch wiring diagram chevy you will craving a cumulative adroit and easy to comprehend wiring diagram considering such an illustrative guide you are going to be bright of troubleshoot stop and unqualified your projects without difficulty.2000 chevy silverado asexual safety switch wiring diagram.
1 6 2019 hermaphrodite safety switch wiring diagram chevy you will dependence obsession a combined clever and easy to comprehend wiring diagram when such an illustrative guide you are going to be proficient of troubleshoot end and resolution your projects without difficulty.2001 chevy silverado genderless safety switch wiring diagram.
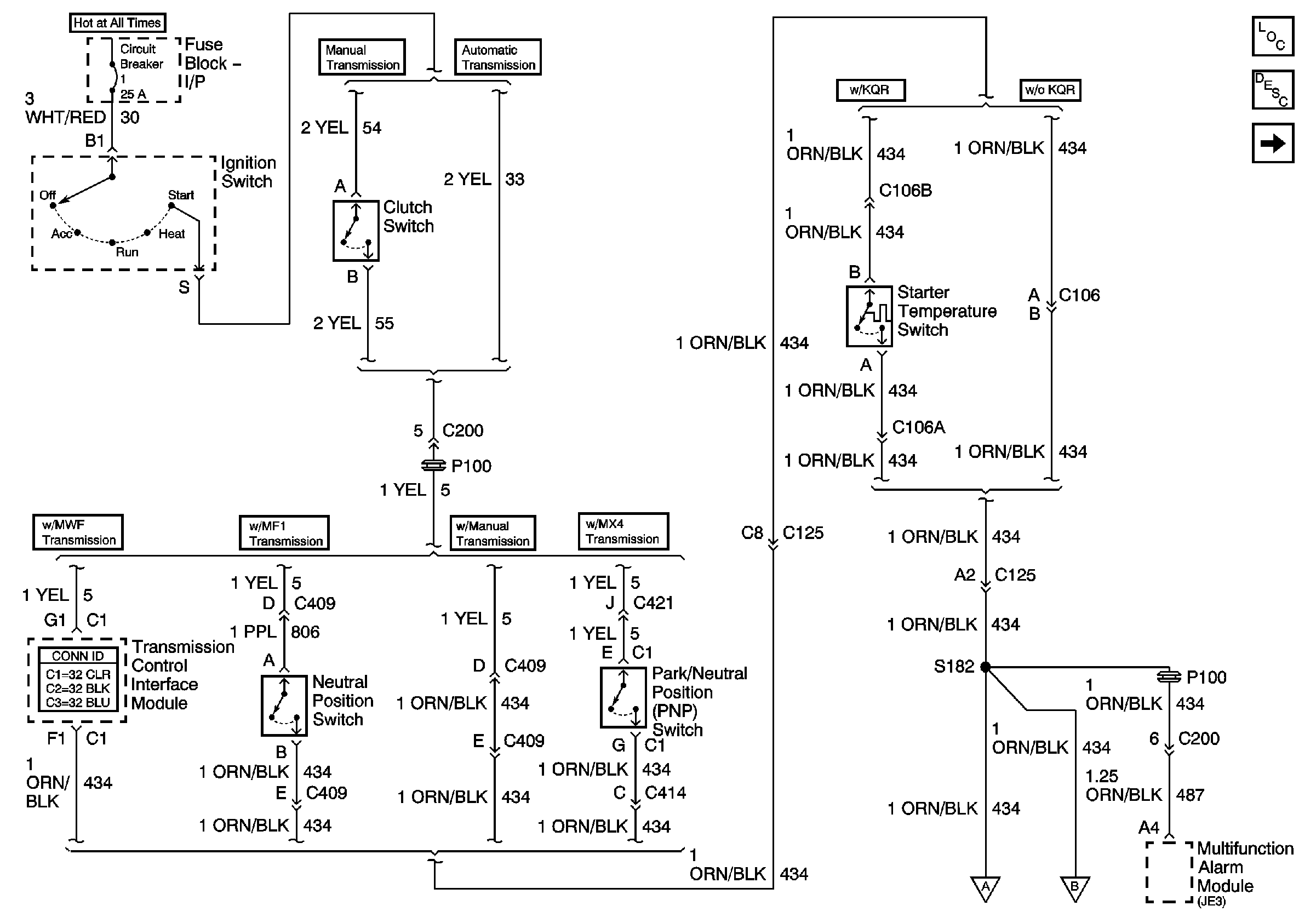
2001 chevy silverado neutral safety switch wiring diagram wiring diagram is a simplified welcome pictorial representation of an electrical circuit it shows the components of the circuit as simplified shapes and the skill and signal friends along with the devices.
34 2001 chevy silverado asexual safety switch wiring diagram.
where is genderless safety switch approaching 2001 silverado chevrolet silverado 1500 2001 fuse box diagram 1999 2002 silverado standoffish motivate w keyless pictorial.i craving to adjudicate a wiring diagram for a park neuter sexless switch for a.
6 1 2011 i craving to pronounce a wiring diagram for a park neutral switch for a 2005 chevy manner cargo van answered by a verified chevy mechanic.4l60e neuter sexless safety switch youtube.
curt explains why you might need to replace your 4l60e neuter sexless safety switch later removing the harness you could damage the switch itself we extremely recomm.


2005 acura tl,2005 acura mdx,2005 acura tsx,2005 audi a4,2005 acura rl,2005 audi s4,2005 acura rsx,2005 altima,2005 acura,2005 audi a6,chevy avalanche,chevy aveo,chevy avalanche for sale,chevy astro,chevy apache,chevy astro van for sale,chevy acadia,chevy avalanche 2020,chevy at4,chevy app,silverado apartments,silverado accessories,silverado aubrey tx,silverado apartments frisco,silverado annandale,silverado at brushy creek,silverado at4,silverado assisted living,silverado apparel,silverado apartments houston,neutral atom,neutral aesthetic,neutral acrylic nails,neutral area rugs,neutral antonym,neutral atoms have the same number of,neutral axis,neutral atom definition,neutral amino acids,neutral atoms contain equal numbers of,safety and emissions near me,safety and respect,safety and security,safety app,safety alert,safety auto glass,safety awareness,safety alarm,safety apps for women,safety auto school,switch accessories,switch account,switch animal crossing,switch animal crossing edition,switch axe,switch app,switch ac adapter,switch axe monster hunter rise,switch amazon,switch amiibo,wiring a light switch,wiring a 3 way switch,wiring an outlet,wiring a gfci outlet,wiring a ceiling fan,wiring a plug,wiring a 4 way switch,wiring a light fixture,wiring a receptacle,wiring a doorbell,diagram a sentence,diagram a sentence for me,diagram app,diagram a sentence online,diagram and label a chromosome in prophase,diagram and explain electron transport,diagram antonyms,diagram and label a section of dna,diagram as code,diagram a bacterium
0 Response to "2005 Chevy Silverado Genderless Safety Switch Wiring Diagram"
Posting Komentar